Hat die neue SV echt nur Glassockelbirnen im Tacho ? Wer weiß, wie der Sockel der Knubbel SV heißt? Und Plasmascheibe hatte ich mir auch schon überlegt, aber ich habe keine ahnung, wie man den Tacho /Drehzahlmesser aufbekommt, da ist doch oben ein Metallring drum der Scheibe und Tacho zusammenhält, oder ????prad bit hat geschrieben: Ich hab mir vor kurzem bei eBay LED´s für meine knubbel gekauft, weil die Originalbirnchen alle auf einmal abgeraucht sind.
http://cgi.ebay.de/ws/eBayISAPI.dll?Vie ... RK:MEWN:IT
Ich hab weisse genommen(blau ist mir zu trendy).
Instrumentenbeleuchtung
-
TheXedoX
-
Punos
TheXedoX hat geschrieben:Hat die neue SV echt nur Glassockelbirnen im Tacho ? Wer weiß, wie der Sockel der Knubbel SV heißt? Und Plasmascheibe hatte ich mir auch schon überlegt, aber ich habe keine ahnung, wie man den Tacho /Drehzahlmesser aufbekommt, da ist doch oben ein Metallring drum der Scheibe und Tacho zusammenhält, oder ????prad bit hat geschrieben: Ich hab mir vor kurzem bei eBay LED´s für meine knubbel gekauft, weil die Originalbirnchen alle auf einmal abgeraucht sind.
http://cgi.ebay.de/ws/eBayISAPI.dll?Vie ... RK:MEWN:IT
Ich hab weisse genommen(blau ist mir zu trendy).
Und genau deswegen, hab ich es machen lassen ... die LEDs sind nicht das Thema, aber ich hätte richtig gekotzt, wenn ich mir das Gehäuse irgendwie beschädigt hätte!
-
derherrliche
-
t1me
-
TheXedoX
Das ist das Problem, die SV hat einen ganz komischen Sockel, den es wohl nicht im Zubehör sondern nur von Suzuki gibt, keine Ahnung wie die genaue Bezeichnung ist. Laut meinem Händler gibts die nur von Suzuki, deswegen keine Sockelbezeichnung. Vielleicht wollte er ja auch nur was verdienen, da er für diese kleine Lampe 4,95 Euro haben will.


-
t1me
ist doch genau das gleiche wie meine abildung?
- Mit dieser fix und fertigen Tacho LED könnt ihr eurer Tachometer ohne Probleme auf blau umrüsten. Die Fassungen passen in nahezu alle Rollertachos (Aerox, NRG, Runner etc.). Einfach die alte Fassung + Birne rausdrehen und neue reinstecken, fertig. Kein Löten notwendig.
Die LED gibt ein schönes tiefes diffuses (flächiges) blau ab!
-
Nero
Habe bei mir blaue LED's und blaue Plasmafolien verbaut! Schau einfach mal!
http://www.svrider.de/index.php?seite=o ... 561&sv=650
http://www.svrider.de/index.php?seite=o ... 561&sv=650
-
TheXedoX
Eben nicht, bei den Birnen der SV sind die Kontakte aufliegend auf dem Plastik und die Birne hält durch eine ritze im Plastik. Bei den normalen Birnen wie auf deinem Bild, sind die Kontakte hochstehend und die halten auch die Birne in der Fassung...t1me hat geschrieben:ist doch genau das gleiche wie meine abildung?
Für die Knubbel SV gibt es keinen Sockel mit LED...
-
Nero
Also die Sachen habe ich vom Conrad Elektronik
1* EL-Inverter WE-50 Artikel-Nr. 184005 Preis 4,06€

2* Leuchtfolie Blau 112X87mm Artikel-Nr. 184070 Preis 7,64€

1* SCHALTNETZTEIL 40V - 3/5/9/12/15 V FG Artikel-Nr.: 191136 - LN Preis 14,95€

und blaue LED´s da mußt du gucken wieviel du haben möchtest(ich habe 5).
1* EL-Inverter WE-50 Artikel-Nr. 184005 Preis 4,06€

2* Leuchtfolie Blau 112X87mm Artikel-Nr. 184070 Preis 7,64€

1* SCHALTNETZTEIL 40V - 3/5/9/12/15 V FG Artikel-Nr.: 191136 - LN Preis 14,95€

und blaue LED´s da mußt du gucken wieviel du haben möchtest(ich habe 5).
Re: Instrumentenbeleuchtung
*Altes Thema wieder beleb*
Moin,
da ich jetzt mein Heckumbau volendet hab, will ich mich an mein nächstes "projektchen" machen. Ich find die blaue Tachobeleuchtung arsch geil und wollts mir nachbaun. Die Variante mit den Birnchen anmalen oder mit den Mäusepariser find ich nicht so ansprechen, weil wie jemand schrieb das dadurch die leuchtkraft schon sehr abnimmt. Werds aber vorher vllt aus interesse doch probieren, mal schaun.
Hab mir des Thema hier durchgelesen und scheint nicht all zu schwer zu sein, das mit der blauen Leuchtfolie (plasmafolie).
Nun wollt ich fragen, ob es nicht reicht wenn ich nur die Leuchtfolie unter die Tachoscheiden leg und die alten Birnchen einfach rausnehem, oder gibt das dann zu wenig Licht ab ohne zusätzlich paar LED's?
Dann zweite Frage an die Elektroniker unter uns (bin leider nur Mechatronkier in der Ausbildung, deswegen nich ganz sicher...):
Wenn ich die Folienvariante wähl, dann werd ich mir bei Conrad (http://www.conrad.de) hier die Folie: Best.Nr: 184070
und den Inverter: 184005 kaufen.
Soweit is mir alles klar, nur bruach ich jetzt ja noch nen Spannungswandler der mir 12V in 5 V macht. Hab hier den gefunden: 511153 aber der macht mir entweder 4,5V / 6V. Reichen entweder die 4,5V um den Inverter und die Leuchtfolie zu betreiben wenn nich, sind die 6V vllt zu hoch ? Einen Spannungswandler für genau 5V hab ich leider nicht gefunden.
Hoffe ihr könnt mir weiterhelfen.
Gruß Jan (der endlich Urlaub hat
)
Moin,
da ich jetzt mein Heckumbau volendet hab, will ich mich an mein nächstes "projektchen" machen. Ich find die blaue Tachobeleuchtung arsch geil und wollts mir nachbaun. Die Variante mit den Birnchen anmalen oder mit den Mäusepariser find ich nicht so ansprechen, weil wie jemand schrieb das dadurch die leuchtkraft schon sehr abnimmt. Werds aber vorher vllt aus interesse doch probieren, mal schaun.
Hab mir des Thema hier durchgelesen und scheint nicht all zu schwer zu sein, das mit der blauen Leuchtfolie (plasmafolie).
Nun wollt ich fragen, ob es nicht reicht wenn ich nur die Leuchtfolie unter die Tachoscheiden leg und die alten Birnchen einfach rausnehem, oder gibt das dann zu wenig Licht ab ohne zusätzlich paar LED's?
Dann zweite Frage an die Elektroniker unter uns (bin leider nur Mechatronkier in der Ausbildung, deswegen nich ganz sicher...):
Wenn ich die Folienvariante wähl, dann werd ich mir bei Conrad (http://www.conrad.de) hier die Folie: Best.Nr: 184070
und den Inverter: 184005 kaufen.
Soweit is mir alles klar, nur bruach ich jetzt ja noch nen Spannungswandler der mir 12V in 5 V macht. Hab hier den gefunden: 511153 aber der macht mir entweder 4,5V / 6V. Reichen entweder die 4,5V um den Inverter und die Leuchtfolie zu betreiben wenn nich, sind die 6V vllt zu hoch ? Einen Spannungswandler für genau 5V hab ich leider nicht gefunden.
Hoffe ihr könnt mir weiterhelfen.
Gruß Jan (der endlich Urlaub hat
Wenn man Dummheiten macht,
müssen sie wenigstens gelingen!
Napoleon I.
müssen sie wenigstens gelingen!
Napoleon I.
Re: Instrumentenbeleuchtung
Hallo,
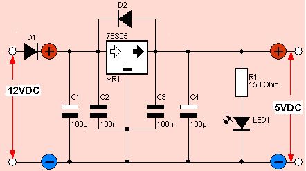
Festspannungsregler mit 5V ist ein 7805 oder wenn es mehr Leistung sein soll 78S05. Die Diode D1 ist nicht unbedingt erforderlich (Verpolungsschutz)
Der Widerstand R1 und die Leuchtdiode LED1 auch nicht (Betriebsanzeige)
Gruß
Gerhard
Edit: Habe mir mal die Folie bei Conrad angesehen. Willst Du wirklich einen Inverter mit 110V Wechselspannung in dein Tachogehäuse bauen
Festspannungsregler mit 5V ist ein 7805 oder wenn es mehr Leistung sein soll 78S05. Die Diode D1 ist nicht unbedingt erforderlich (Verpolungsschutz)
Der Widerstand R1 und die Leuchtdiode LED1 auch nicht (Betriebsanzeige)
Gruß
Gerhard
Edit: Habe mir mal die Folie bei Conrad angesehen. Willst Du wirklich einen Inverter mit 110V Wechselspannung in dein Tachogehäuse bauen
Die Power-Knubbel vom SV-Treffen 2016
Blau ist für mich ne tolle Farbe und kein Zustand
Blau ist für mich ne tolle Farbe und kein Zustand
Re: Instrumentenbeleuchtung
So war gestern ma kurz bei nem Elektronik-Laden und hab den ma nach so nem 12V -> 5V Netzteil gefragt und er hatte auch nur eines das 6V ausgibt, dann meinte er, ich soll doch einfach am Ausgang ne LED ranhängen, also in reihe zum Inverter. Somit vällt an der Diode ca 1V ab und der Inverter bekommt seine 5V....
Und bei man anderen hat es ja auch funtkionier. Wüsste jetzt kein Grund warum es probleme geben sollte.
Gruß Jan
Why not? Oder meinst du da kann was passieren, der Tacho sollte ja normalerweiße Wasserdicht sein.2blue hat geschrieben:Edit: Habe mir mal die Folie bei Conrad angesehen. Willst Du wirklich einen Inverter mit 110V Wechselspannung in dein Tachogehäuse bauen
Und bei man anderen hat es ja auch funtkionier. Wüsste jetzt kein Grund warum es probleme geben sollte.
Gruß Jan
Wenn man Dummheiten macht,
müssen sie wenigstens gelingen!
Napoleon I.
müssen sie wenigstens gelingen!
Napoleon I.
-
Da Flo
Re: Instrumentenbeleuchtung
so ich hab mal meine instrumenten beleuchtung auf led umgebaut...sieht ganz cool aus. ich versuch auch dann gleich mal ein bild hoch zu laden.
ich hab die alten birnen raus gemacht und für tacho und drehzahl jeweils 20 leds ein gelötet. die kabel hab ich aber raus gezogen und direkt an die zündung gelötet. einfach ein kabel mit nem messgerät rausgesucht das meine 12 volt bringt und das pluskabel dran gelötet und isoliert. den minuspol hab ich an minus von meiner griffheizung angeschlossen.
hat aber ne ganze weile gedauert. hab 2 nachmittage damit verbracht.
nachdem ich alles fertig hatte hab ich auch gleich mal die karre aus der garage geholt und probiert ob se noch an geht. musste dann auch gleichmal die 10 m auf dem grundstück 3x im kreis fahren
ich zähl schon die stunden bis 1. märz^^
ich hab die alten birnen raus gemacht und für tacho und drehzahl jeweils 20 leds ein gelötet. die kabel hab ich aber raus gezogen und direkt an die zündung gelötet. einfach ein kabel mit nem messgerät rausgesucht das meine 12 volt bringt und das pluskabel dran gelötet und isoliert. den minuspol hab ich an minus von meiner griffheizung angeschlossen.
hat aber ne ganze weile gedauert. hab 2 nachmittage damit verbracht.
nachdem ich alles fertig hatte hab ich auch gleich mal die karre aus der garage geholt und probiert ob se noch an geht. musste dann auch gleichmal die 10 m auf dem grundstück 3x im kreis fahren
- Dateianhänge
-
- 0215132307-2.JPG (75.15 KiB) 3011 mal betrachtet
- Kakaostaude
- SV-Rider
- Beiträge: 254
- Registriert: 24.05.2009 20:09
- Wohnort: Osnabrück
-
SVrider:
Re: Instrumentenbeleuchtung
Was sind denn "normale" Instrumentenlampen? Selbst in meiner Reparaturanleitung steht einfach nur "Glühlampe + Fassung".TheXedoX hat geschrieben: ↑16.06.2005 22:51...nur habe ich heute gesehn, das da ganz normale Instrumentenlampem drin sitzen.
Kann mir jemand sagen, welche Leuchtmittel bei der Knubbel S ins Cockpit gehören?
Edit: Jetzt hab ich unter den Technischen Daten noch den Hinweis 12V, 1,7W (2-Stück) gefunden...
Ist das dann sowas hier? Suchergebnis beim großen Versand
- Adel_BaWü
- SV-Rider
- Beiträge: 123
- Registriert: 27.07.2016 12:51
- Wohnort: Neckar-Odenwald-Kreis
-
SVrider:
Re: Instrumentenbeleuchtung
Ich glaube die sind zu groß.
viewtopic.php?f=4&t=53034&p=9161822&hil ... l#p9328213
Sockel ist zwar der gleiche (W2), aber die hat 1.7W, passt damit laut o.g. Link für die Kontrolleuchten.
"Hintergrundbeleuchtung" vom Tacho braucht 1.2W, die sind etwas kleiner (Durchmesser 4,6mm). Hab ich neulich bei Tante Louise für 1€/St bestellt, gibts aber auch beim Amazonas Händler für 34ct, allerdings als Plusprodukt. Einfach W2 Sockel suchen. Bin aber noch nicht dazu gekommen sie einzubauen, kann daher nicht sagen obs wirklich passt.
Im Werstatthandbuch ist von 0.84W beim Tacho die Rede, leider steht nichts von den Abmaßen dabei. Google spuckt auch nichts aus wo es 0.84W zu kaufen gibt. Aber laut dem anderen Thread scheinen die 1.2W ja zu passen.

viewtopic.php?f=4&t=53034&p=9161822&hil ... l#p9328213
Sockel ist zwar der gleiche (W2), aber die hat 1.7W, passt damit laut o.g. Link für die Kontrolleuchten.
"Hintergrundbeleuchtung" vom Tacho braucht 1.2W, die sind etwas kleiner (Durchmesser 4,6mm). Hab ich neulich bei Tante Louise für 1€/St bestellt, gibts aber auch beim Amazonas Händler für 34ct, allerdings als Plusprodukt. Einfach W2 Sockel suchen. Bin aber noch nicht dazu gekommen sie einzubauen, kann daher nicht sagen obs wirklich passt.
Im Werstatthandbuch ist von 0.84W beim Tacho die Rede, leider steht nichts von den Abmaßen dabei. Google spuckt auch nichts aus wo es 0.84W zu kaufen gibt. Aber laut dem anderen Thread scheinen die 1.2W ja zu passen.

