low budget umbauten jetzt auf cafe racer


Wie mach ich und wo bekomme ich was? Was ist gut und günstig?
AnRo96


Re: low budget umbauten bzw Ideen

#16

Beitrag von AnRo96 » 12.02.2011 18:18

http://www.dan-moto.com/handlebar-grip- ... 6fvnaqag90

10€, werden bei mir gerade verbaut. Ne günstige alternative zu den 50€ Rizomas ;)

MfG Andi

Benutzeravatar
bullit006
SV-Rider
Beiträge: 1507
Registriert: 14.03.2010 17:32

SVrider:

Re: low budget umbauten bzw Ideen

#17

Beitrag von bullit006 » 12.02.2011 18:19

nille hat geschrieben:
sv650seb hat geschrieben:Hab Grad nochmal meine Ownerliste aktualisiert. Könnt euch das ja nochmal ansehen.

Bin gespannt...
Sag mal, klebt da so ein "Kirchen-Fisch" auf Deinem Heck, oder is' das 'ne Reflektion 8O



keine reflektion

wegen den Griffen, bitte mal bescheidgeben ob die gut passen :)

AnRo96


Re: low budget umbauten bzw Ideen

#18

Beitrag von AnRo96 » 12.02.2011 19:10

Hi,

also passen gut, vom Gasgriff mus halt die eine wulst weggedremelt werden damit er raufpasst, aber sieht sehr gut aus!

Verklebt wurde es mit 2K Kleber. Über Langzeiterfahrung kann ich nichts sagen, aber wenn nich hol ich mir wieder die fürn 10er :D

MfG Andi

kl4us


Re: low budget umbauten bzw Ideen

#19

Beitrag von kl4us » 12.02.2011 23:39

AnRo96 hat geschrieben:Hi,

also passen gut, vom Gasgriff mus halt die eine wulst weggedremelt werden damit er raufpasst, aber sieht sehr gut aus!
welche wulst???
---> wenns nich zuuuuuu viel zu tun ist, bestell ich SIe mir auch :))

AnRo96


Re: low budget umbauten bzw Ideen

#20

Beitrag von AnRo96 » 13.02.2011 1:56

Hi,

ist echt nicht viel Aufwand, ich habs mit nem Dremel gemacht, geht aber auch mit nem scharfen Messer.

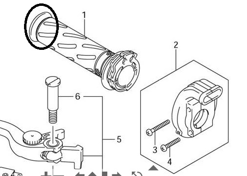
In dem angefügten Bild ist zwar das original Griffgummi noch drauf, aber darunter siehts auch so aus. Der eingekreiste Bereich muss auf die gleiche Höhe des anderen Teil des Griffes geschnitten werden. Ich hätt mal Fotos machen sollen^^ Aber schwer ist es nicht ;)

Dann noch verkleben und fertig ist nen schicker Griff. Muss mir nur noch schöne Lenkerenden suchen :)

MfG Andi
Dateianhänge
gasgriff.jpg
gasgriff.jpg (46.1 KiB) 1569 mal betrachtet

Benutzeravatar
Schwarzwälder
SV-Rider
Beiträge: 580
Registriert: 23.05.2010 22:20
Wohnort: CW

SVrider:

Re: low budget umbauten bzw Ideen

#21

Beitrag von Schwarzwälder » 13.02.2011 10:55

Ich habe die "Wulst" mitm scharfen Messer weggemacht. Ist wie ne Karotte schälen. Wirklich kein Hexenwerk. Danach mit Sekundenkleber den Griff verklebt. Hebt Bombenfest.

Babba1


Re: low budget umbauten bzw Ideen

#22

Beitrag von Babba1 » 13.02.2011 13:01

Hallo, na die Spiegel sehen doch schon viel besser aus :-)

sv650seb


Re: low budget umbauten bzw Ideen

#23

Beitrag von sv650seb » 13.02.2011 13:39

richtig keine Reflektion is dann wohl so ein Kirchenfisch :) Angel

Das mit den Spiegeln gefällt mir auch deutlich besser

Wenn es Mal Fotos von den Griffen im eingebauten Zustand gibt wäre ich an Bildern sehr interessiert.

gibt es ne Möglichkeit den Scheinwerfer auf sinnvolle Art und weiße "tiefer" zu legen,bzw hats schon mal jemand probiert?

AnRo96


Re: low budget umbauten bzw Ideen

#24

Beitrag von AnRo96 » 13.02.2011 15:13

Hi,

hab fürn Kumpel welceh gemacht geahbt. Wüsste nicht was gegen die Griffe spricht :) Sehen super aus und sind günstig!

Mir fehlen nur noch Lenkerenden, denke mal da hol ich die Rizoma Flat Caps...
Und den Pissbecher (Bremsflüssigkeitsbehälter) werde ich auch noch im Zuge der Erneuerung der Bremsen auswechseln ;) Auch was schickes kleines schwarzes :)

Lg Andi
Dateianhänge
SDC12570.jpg
SDC12570.jpg (333.15 KiB) 1516 mal betrachtet
SDC12567.jpg
SDC12567.jpg (365.87 KiB) 1516 mal betrachtet

Benutzeravatar
bullit006
SV-Rider
Beiträge: 1507
Registriert: 14.03.2010 17:32

SVrider:

Re: low budget umbauten bzw Ideen

#25

Beitrag von bullit006 » 13.02.2011 17:23

AnRo96 hat geschrieben:Hi,

hab fürn Kumpel welceh gemacht geahbt. Wüsste nicht was gegen die Griffe spricht :) Sehen super aus und sind günstig!

Mir fehlen nur noch Lenkerenden, denke mal da hol ich die Rizoma Flat Caps...
Und den Pissbecher (Bremsflüssigkeitsbehälter) werde ich auch noch im Zuge der Erneuerung der Bremsen auswechseln ;) Auch was schickes kleines schwarzes :)

Lg Andi
na das sind aber keine Spiegel mit E-Nummer ^^

sv650seb


Re: low budget umbauten bzw Ideen

#26

Beitrag von sv650seb » 18.02.2011 23:03

habt ihr noch Ideen?
wie sieht es mit scheinwerfer tieferlegen aus?

gruß Seb

Benutzeravatar
nille
SV-Rider
Beiträge: 3121
Registriert: 23.11.2005 21:14
Wohnort: Steiermark - Österreich
Kontaktdaten:

SVrider:

Re: low budget umbauten bzw Ideen

#27

Beitrag von nille » 19.02.2011 11:20

sv650seb hat geschrieben:habt ihr noch Ideen?
wie sieht es mit scheinwerfer tieferlegen aus?

gruß Seb
Dann muss aber auch der Tacho weiter runter, sonst sieht es nicht gut aus.
Gruß Nils

sv650seb


Re: low budget umbauten bzw Ideen (Ergebniss!)

#28

Beitrag von sv650seb » 15.04.2011 18:51

siehe Ownerlist...

bin auf eure Meinungen gespannt

Umbaukosten ca: 300€

Gruß Seb

Benutzeravatar
grosSVater
Moderator
Beiträge: 27970
Registriert: 30.11.2009 17:38
Wohnort: Oerlinghausen
Kontaktdaten:

SVrider:

Re: low budget umbauten bzw Ideen (Ergebniss!)

#29

Beitrag von grosSVater » 17.04.2011 20:54

Sieht schon ganz nett aus, aber den 10er für die Griffe würd ich auch noch investieren :twisted:
Gruß
Michael
R.I.P Heinz 11.03.1944 - 23.05.2016

Benutzeravatar
Chaos
SV-Rider
Beiträge: 968
Registriert: 19.11.2010 20:18
Wohnort: Königsbrunn bei Augsburg

SVrider:

Re: low budget umbauten bzw Ideen (Ergebniss!)

#30

Beitrag von Chaos » 18.04.2011 18:04

Die Aufkleber aufm Heck find ich besonders schön
Ansonsten gelungenes Gesamtpaket :) grins
Zylinder sind wie Brüste. 2 fühlen sich am besten an

Antworten