Knubbel Vergaserlogik... Schwimmerstand Denkfehler


Wie repariere ich...? Wie baut man was an der SV um? Die Bastelbude für den Laien bis zum Profi.
Antworten
Longnose154
SV-Rider
Beiträge: 14
Registriert: 02.03.2020 17:16


Knubbel Vergaserlogik... Schwimmerstand Denkfehler

#1

Beitrag von Longnose154 » 28.04.2022 12:35

Moin,

ich bin gerade dabei bei meiner Knubbel 2002 den Vergaser zu machen. Nach drei Jahren nachwuchsbedingten Dornröschenschlafs war das mal nötig. Ich habe schon bei etlichen Maschinen den Vergaser gemacht, inklusiver diesem hier, aber jetzt klemmt es irgendwo. Entweder habe ich einen massiven Denkfehler oder mein Vergaser kann die Naturgesetze aushebeln.

Mir ist aufgefallen, dass die Schwimmer nur etwa 3 mm aus dem Gehäuse ragen, obwohl das laut WHB 7mm sein sollen. So gut man das eben messen kann, aber es waren deutlich weniger als 7mm, wenn die Schwimmerzunge gerade so die Scwimmernadel berührt hat, bei 45° Neigung. Das hätte auch erklärt, warum die Möhre so viel verbraucht, jenseits der 10l.
Ich habe also die Schwimmer auf 7mm eingestellt
Schwimmerstand.jpg
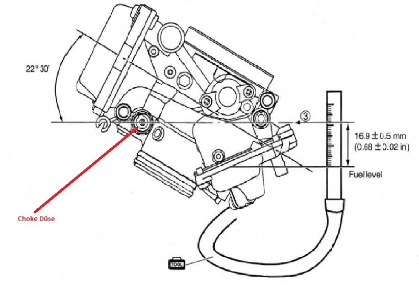
danach habe ich den Kraftstoffstand mit der Schlauchwage gemessen und dieser war viel zu hoch. Wie kann das denn sein??? Der Vergaser hängt in einer Halterung mit der ich die im WHB geforderte Neigung von 22,5° relativ zuverlässig einstellen kann.
Laut WHB soll der Kraftstoffstand -17mm unterhalb der Chokedüse liegen. Bei mir lag er aber eher so bei 10mm.
Kraftstoffstand.jpg
Ich also nochmal alles auf, die Schwimmerzungen noch weiter Richtung Schwimmerventil gebogen (Schwimmer bei ca 8,5 mm) und den Kraftstoffstand nochmal gemessen. Jetzt waren es nur noch 4mm. Also spaßeshalber die Zunge zurück, sodass die Schwimmer auf 3mm stehen und jetzt ist der Kraftstoffstand bei -18mm (also zu niedrig).

Wie kann denn das sein?? Wenn ich die Zunge in Richtung der Schwimmernadel verbiege, dann macht doch der Schwimmer "früher" zu, also muss doch der Kraftstoffstand runter gehen und nicht hoch. Was mache ich denn da falsch?
Ja die Schwimmer sind trocken und dicht, die Achsen sind sauber und freigängig und die Schwimmernadeln sind quasi neu und top in Schuss. Alles andere kommt frisch aus dem Ultraschallbad, ist trocken und sauber...also Kanäle, Schwimmerventile etc.

Mein Plan ist jetzt den Schwimmerstand zu ignorieren und das so einzustellen, dass der Kraftstoffstand stimmt und dann mal testen wie die Karre damit läuft.

Antworten