Hallo zusammen,
aktuell stehe ich vor dem Problem die Bezeichnung bzw. eine Bezugsquelle für den Umwerfer/die Aufnahme des Schaltgestänge zur Schaltwelle zu suchen. Kann mir hier jemand mit der Bezeichnung oder einem Shop helfen, bei dem ich das benötigte Teil beziehen kann.
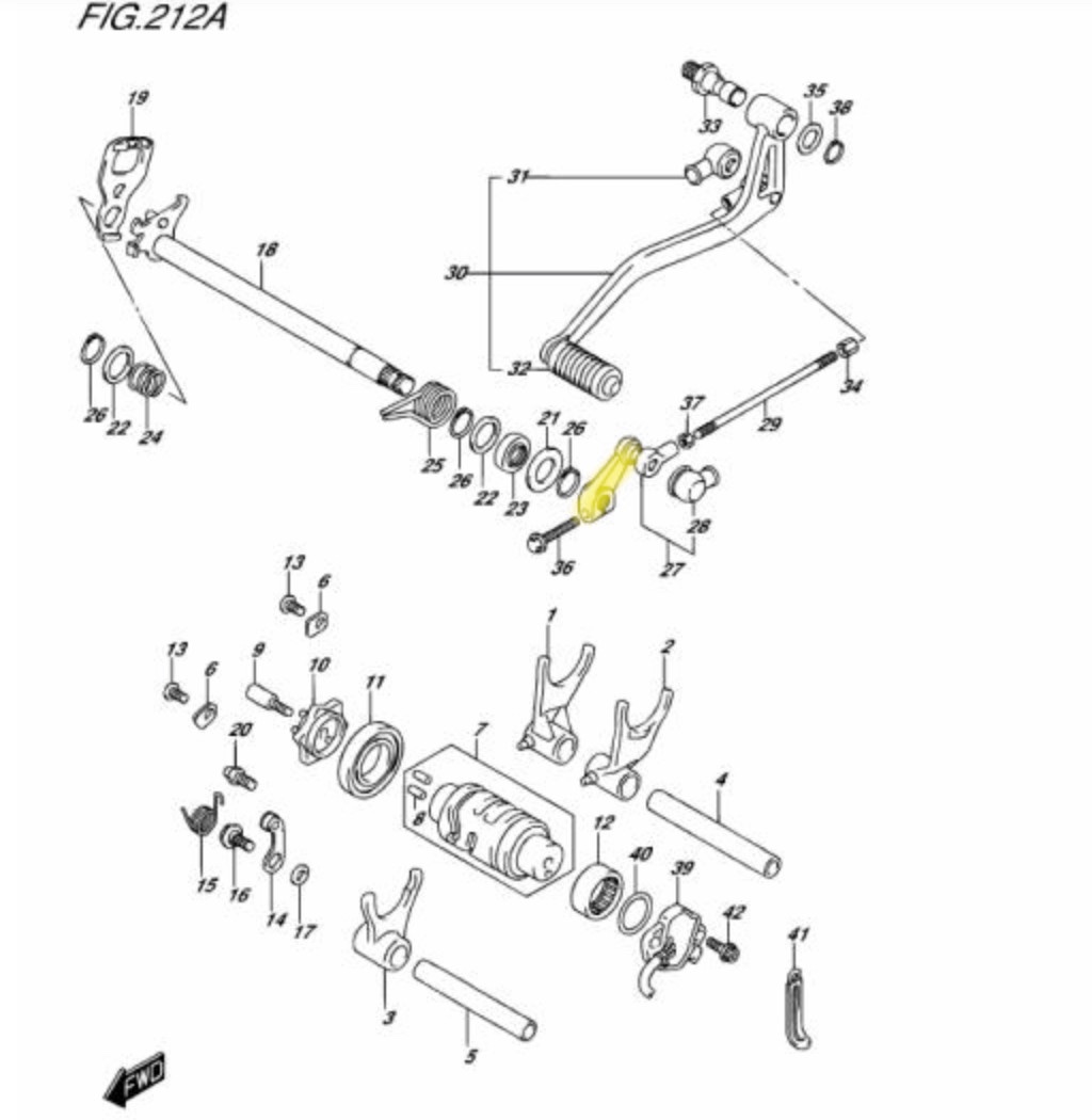
Anbei gelb gekennzeichnet, um welches Teil es sich handelt. In allen Shops die Ersatzteile anbieten, ist das Teil leider nicht mit einer Positionsnummer gekennzeichnet.
Vielen Dank für euer Schwarmwissen,
Felix
Umwerfer für Schaltwelle/gestänge
Re: Umwerfer für Schaltwelle/gestänge
Wo hast du denn das Bild weg? Meistens gibt's dann auch Nummern dazu.
Hier gibt's ne Nummer, ist exemplarisch für K1. Für K3-K7 gibt's die Nummer da ebenfalls.
Hier gibt's ne Nummer, ist exemplarisch für K1. Für K3-K7 gibt's die Nummer da ebenfalls.
Gruß, Mattis
Ride on✌🏼
Ride on✌🏼
Re: Umwerfer für Schaltwelle/gestänge
Hallo saihttaM,
Dankeschön für deine Antwort. Für eine 2018er SV finde ich auf der von dir verlinkten Seite leider auch nicht das gesuchte Teil.
Dankeschön für deine Antwort. Für eine 2018er SV finde ich auf der von dir verlinkten Seite leider auch nicht das gesuchte Teil.
-
Gelöschter Benutzer 26668
Re: Umwerfer für Schaltwelle/gestänge
Hallo,
bisher hat mir mein Suzuki Händler am Ort für Ersatzteile immer helfen können (und habe auch 1980er GS750X, 1999er Bandit 600S).
Die haben Datenblätter mit den OEM Nummern.
Die Kopie der Explosionszeichung wäre natürlich hilfreich.
bisher hat mir mein Suzuki Händler am Ort für Ersatzteile immer helfen können (und habe auch 1980er GS750X, 1999er Bandit 600S).
Die haben Datenblätter mit den OEM Nummern.
Die Kopie der Explosionszeichung wäre natürlich hilfreich.
Re: Umwerfer für Schaltwelle/gestänge
https://www.ronayers.com/oemparts/a/suz ... r-shifting
Gehört zu Pos 27 mit dazu. Das Kugelgelenk ist verpresst.
Mit der Bestellnummer (25520-22A10) findet Google auch nen Shop. Aber der Suzuki Händler vor Ort bestellt das auch...
Gehört zu Pos 27 mit dazu. Das Kugelgelenk ist verpresst.
Mit der Bestellnummer (25520-22A10) findet Google auch nen Shop. Aber der Suzuki Händler vor Ort bestellt das auch...
- Kolbenrückholfeder
- SV-Rider
- Beiträge: 6730
- Registriert: 22.08.2013 10:11
- Wohnort: Elefantenstadt am Rande vom Pott
-
SVrider:
Re: Umwerfer für Schaltwelle/gestänge
Hallo Felix, hier solltest du fündig werden:
Die Referenz was Teilenummern rund um Suzuki angeht:
https://www.ronayers.com/oemparts/l/suz ... v650-parts
Die Teile bekommst du bei deinem Händler oder hier:
https://www.suzuki-motorrad-ersatzteile.de
Bitte trage hier dein Moped ein, damit jeder weiß worum es geht wenn Fragen kommen:
https://www.svrider.de/index.php?seite= ... entry=true
Die Referenz was Teilenummern rund um Suzuki angeht:
https://www.ronayers.com/oemparts/l/suz ... v650-parts
Die Teile bekommst du bei deinem Händler oder hier:
https://www.suzuki-motorrad-ersatzteile.de
Bitte trage hier dein Moped ein, damit jeder weiß worum es geht wenn Fragen kommen:
https://www.svrider.de/index.php?seite= ... entry=true
Linke Hand zum Gruß.
Koichi Shimada † 11.02.2016
Koichi Shimada † 11.02.2016