Anleitung für Raddox RXS-Tacho mit Tankanzeigenschaltung


Du benötigst Infos zur Technik oder hast ein Problem mit deiner SV? Fragen und Antworten hier!
Antworten
noki66
SV-Rider
Beiträge: 19
Registriert: 26.04.2021 22:31


Anleitung für Raddox RXS-Tacho mit Tankanzeigenschaltung

#1

Beitrag von noki66 » 07.06.2021 18:33

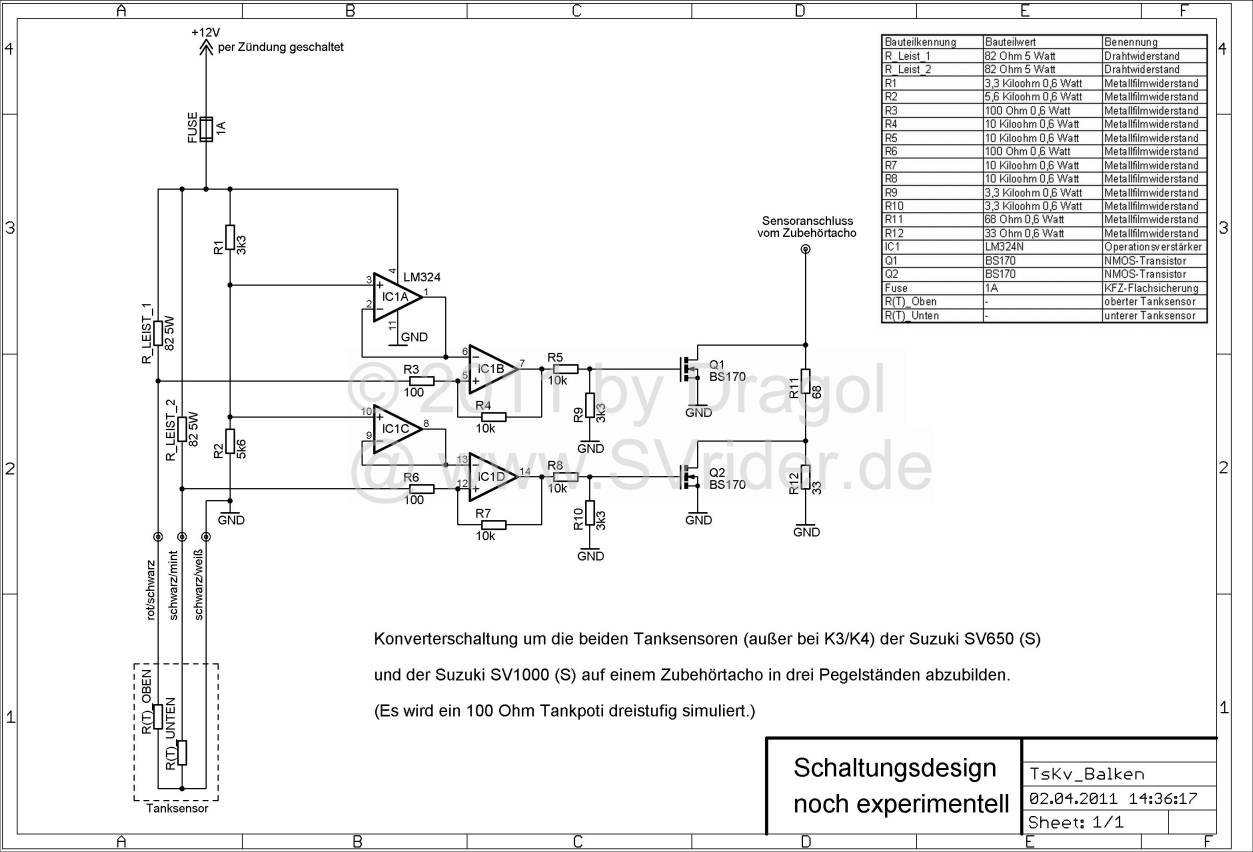
Einbauanleitung für Raddox-RXS Tachoeinheit incl. 3-stufiger Schaltung für Tankanzeige einer SV 650, Bj. 2002.
Hier erst mal die Schaltung für die Tankanzeige. Es wird ein Widerstandswert in 3 Stufen simuliert, so dass die Zubehör Instrumenteneinheit 3 verschiedene Zustände Darstellen kann. Voll >Reserve>Leer.
Die Bilder als Anhänge, das Einfügen in den Text habe ich nicht zustande gebracht.... :roll:

Die Kontakte der originalen, am Fz verbauten Stecker habe ich ausgepinnt, abgeschnitten, mit den passenden Steckerpinns gecrimpt und dann auf die passende Position am passenden Gegenstück (siehe weiter unten) wieder eingesteckt. Die originalen Stecker/Buchsen passen leider nicht.

Obacht! nicht alle originalen Stecker müssen umgearbeitet werden.

Die Anschlüsse für die Ganganzeige ( 6-poliger Stecker des Raddox) bleiben offen, diese hat die SV ja gar nicht.
Dieser Stecker und/oder die Kabel könnten auch entfernt werden um den Kabelsalat übersichtlicher zu machen und Platz zu sparen, wenn man z.B. wie ich einen anderen Scheinwerfer verwendet.

Zur ("selbstbau"-) Schaltung für den Tankgeber:
Vorweg, ich habe die Schaltung für die Tankanzeige leicht modifiziert, die IC1B und IC1D habe ich vertauscht.
Alle 4 IC sind ja in einem Gehäuse mit 14 Füßchen untergebracht, so konnte ich, glaub ich, einige Brücken abkürzen und Kreuzungen vermeiden.

Die benötigten Bauteile sind alle auf dem Schaltplan aufgelistet und wurden bei einem bekannten Elektronikversand (sicherheitshalber in doppelter Anzahl) bestellt. Kosten incl. Versand rd. 15.-€ (sind alles "Cent-Bauteile", bis auf den LM324)

Eine Lochrastenplatine 2,5mm Raster und ein Gehäuse hatte ich noch rumliegen, das gibt es dort aber auch für kleines Geld.
Das Gehäuse und auch die Platine hätte auch etwas niedriger/kleiner ausfallen können, war aber wie gesagt schon vorhanden.

Man sieht auf den Bildern, ich bin kein Lötgenie.... und das Layout hat auch noch Luft nach oben...
Die Elektriker mögen bitte nachsichtig sein, bin nur ein bemühter Laie.

12V Zündungsplus habe ich unterm Tank rechts an einem vorhandenen nicht benutzten Stecker abgegriffen und unterm Tank nach hinten verlegt.
Da ich keinen passenden Original-Stecker hatte, habe ich einen neuen aufgecrimpt. Das war zwar fummelig, weil wenig Platz und recht kurze Kabelenden, aber es ging. (leider kein Bild gemacht). Das erschien mir die einfachste Lösung und ersparte die separate Absicherung der Schaltung.

die hier verwendeten "mehrfach Steckverbinder" mit 2,8mm aus der Bucht oder bei Tante Louise passen zumindest am hinteren Teil des Kabelbaums für die Anschlüsse. Diese sind für die meisten Anwendungen auch ausreichend. Wer es wasserdicht haben will, muss halt andere verwenden.
Ich habe diese hier genommen, weil eh im Bestand meiner bescheidenen Werkstatt.
"380X Steckverbinder Set Mehrfachsteckverbinder Stecker + Buchse Für KFZ Motorrad" | eBay

Wie man sieht, zeigt die Tankanzeige bei fast vollem Tank 5 Balken an, später wechselt die Anzeige auf 2 Balken und wenn es eng wird, Blinkt die Anzeige.
Dass bei mir nur 5 der 6 Balken bei vollem tank angezeigt werden liegt vermutlich an den Toleranzen der verwendeten Widerstände (5%).
Auch die NTC´s im Tank haben eine Toleranz, von daher wird das bei jedem geringfügig etwas variieren.
Die Restmengen im Tank müssten von jedem selbst „erfahren“ oder mit Füllversuchen getestet werden.

Einstellen des Raddox – Instruments:
Linke Taste „Set“
Rechte Taste „Adjust“

Durch drücken der Set Taste wechselt man zu den verschiedenen Anzeigen. Trip-KM / gesamt-Km
Wenn Trip angezeigt wird, kann durch langes ( ca. 2 Sec) drücken auf Adjust „genullt“ werden. Gesamt-Km natürlich nicht.
Uhrzeit Einstellen:
Langes drücken auf Set, Uhrzeit blinkt. Mit Adjust die Stunde einstellen (leider nur 12 Sunden Format), durch drücken auf Set, wechsel zu den Minuten. Hier auch mit Adjust einstellen.
Wenn ein paar Sekunden (~5Sec) nichts gedrückt wird, wird die eingestellte Uhrzeit übernommen.

Setup-Menue, zum einstellen der Parameter des Motorrades:

Zündung aus!
Set-Taste drücken und gedrückt halten.
Zündung ein, Set erst loslassen, wenn der ganze „Selbsttestzirkus“ abgeschossen ist.
Anzeige ist ein 5-stelliger „Code“
Eingestellt wird wie bei der Uhrzeit, mit „Set“ wechselt man die Stelle, mit Adjust stellt man die Werte ein. Nach längerer Nichtbetätigung, (~5 Sec.) wird die Einstellung übernommen.
Bedeutung der einzelnen Stellen des Codes:
1. Zahl = leider noch unklar
2. Zahl = Anzahl der Impulse pro Radumdrehung (Tachosignal, 3-Adriges Kabel vom Vorderrad)
3. Zahl = Feinjustierung des Radumfangs (0 = kleiner Radumfang,....9= großer Radumfang). Bei der SV650 mit dem 16 Zoll Vorderrad ist die Eistellung „0“ ( also "040" im dreistelligen Block des "Codes") sehr genau. Bei „041“ ist die Abweichung nach oben schon wieder recht ( meiner Meinung nach zu) groß. Man könnte noch mit „059“ oder "058" usw. versuchen, damit der Tacho eine „Voreilung“ innerhalb der erlaubten/vorgeschriebenen Toleranzen hat.
Das habe ich aber noch nicht abschließend getestet.
4. Zahl = Widerstandswert des Tankgebers. 1 = 100 Ohm, 5 = 500 Ohm, hier 100 Ohm wegen der Tankgeberschaltung.
5. Zahl = Einstellung für Drehzahlmessersignal, in Abhängigkeit der Häufigkeit der Zündimpulse. (Suzuki zündet auch im Auslasstakt mit rein, deshalb hier „2“. (= 1 Zündimpuls je Umdrehung)
Ich hoffe dass es für den ein oder anderen hilfreich ist. Das Teilen dieser Anleitung ist ausdrücklich erlaubt. Anmerkungen oder Korrekturen auch.
Gewährleistung kann ich aber natürlich keine geben.
Dateianhänge
Steckerbelegung Raddox.jpg
Schaltung Tankanzeige SV650N Knubbel 6.jpg
Liste.jpg
Platine1.jpg
Platine2.jpg
Platine3.jpg
Geäuse mit Stecker.jpg
Stecker1.jpg
Box verbaut.jpg
Tacho.jpg
Setup.jpg
Zuletzt geändert von noki66 am 10.06.2021 0:40, insgesamt 3-mal geändert.

Benutzeravatar
2blue
SV-Rider
Beiträge: 5122
Registriert: 07.03.2005 22:07
Wohnort: Speyer am Rhein

SVrider:

Re: Anleitung für Raddox RXS-Tacho mit Tankanzeigenschaltung

#2

Beitrag von 2blue » 07.06.2021 18:57

Hallo Norbert,

das hast Du sehr schön gemacht. :top: ;) bier
Die Power-Knubbel vom SV-Treffen 2016
Blau ist für mich ne tolle Farbe und kein Zustand

noki66
SV-Rider
Beiträge: 19
Registriert: 26.04.2021 22:31


Re: Anleitung für Raddox RXS-Tacho mit Tankanzeigenschaltung

#3

Beitrag von noki66 » 17.06.2025 23:11

Hallo zusammen
ich muss die Angaben zu den Einstellungen des Tacho korrigieren. Habe endlich eine ordentliche Anleitung gefunden, was die "Setup-Einstellungen" betrifft.
https://eu-data.manualslib.com/pdf/de/p ... 5cbcb8c37e
von daher ist die richtige Einstellung 039 12 (bei einem Vorderrad 120/60/17)

Und Kuriosum, die Ölwarnlampe geht alle 2.000km an und muss zurückgesetzt werden. Sie soll an einen fälligen Ölwechsel erinnern........
Drum bin ich noch mal auf die Suche nach Informationen gegangen und habe nun die oben verlinkte Anleitung gefunden.

Was die Tankanzeige betrifft, die ist doch sehr ungenau und hat einen deutliche Abhängigkeit von der Bordspannung. Bsp. Licht an und Motor aus >> Tank leer; Motor läuft >> Tank voll(er). Versuche das mit einem vorgeschalteten Spannungsregler (L7812C (TO-220)) zu stabilisieren, haben nicht den gewünschten Effekt gebracht. Vielleicht könnte man das mit regelbaren Widerständen (Potis) anstelle von R9 / R10 bzw. R11 und R12 im Schaltplan auskalibrieren.
Vielleicht fällt den Elektronikern unter uns da was zu ein, insbesondere zu möglichen Bauteilen, die kein Vermögen kosten. Selber habe ich da zu wenig Ahnung von.
Vielleicht ist diese zusätzliche Info auch einfach nur für jemanden Hilfreich. Das mit der Tankanzeige ist eh nur ein "nice to have...." früher ging das auch ohne...mit dem Kilometerzähler im Blick....

noki66
SV-Rider
Beiträge: 19
Registriert: 26.04.2021 22:31


Re: Anleitung für Raddox RXS-Tacho mit Tankanzeigenschaltung

#4

Beitrag von noki66 » 17.06.2025 23:13

Achtung Tippfehler

038 12 ist richtig, sonst hat der Tacho keine Voreilung...

Antworten