SV 650(S) hat einen unrunden Leerlauf und nimmt teilweise kein Gas an.


Du benötigst Infos zur Technik oder hast ein Problem mit deiner SV? Fragen und Antworten hier!
Chroxi
SV-Rider
Beiträge: 12
Registriert: 28.03.2023 11:15


SV 650(S) hat einen unrunden Leerlauf und nimmt teilweise kein Gas an.

#1

Beitrag von Chroxi » 28.03.2023 12:58

Hallo zusammen,
im vor hinaus wollte ich schonmal schreiben, dass das Thema zwar in ähnlicher Weise oft behandelt wurde, aber dennoch keine Lösung finden können. Und natürlich ein dank im vorhin aus.

Mein Motorrad: Suzuki SV 650 S BJ.2000 AV1331 Motor Standardgemäß/Vergaser Standardgemäß

Fehlerbild:
Mein Motorrad hat konstante Fehlzündungen im Stand egal, ob warm oder kalt (hört sich an als ob sie spucken würde), es hat außerdem noch einen Leistungsverlust glaube ich, (das Motorrad lief als ich es gekauft habe nicht einmal "Normal) heißt im 6. Gang max. 150 km/h. Dazu kommt der er bei höherer Drehzahl das Gas wegnimmt, dann wieder dazu gibt, obwohl ich konstant am Gas bin, wenn das Motorrad dann das Gas wegnimmt von sich selbst aus, höre ich dann das der Motor weiter dreht, aber aus dem Auspuff etwa 3–5 Fehlzündungen hintereinander schießen. Ist auch manchmal beim Beschleunigen der Fall, aber eher selten. Motor hat keinen Ölverlust und keinen blauen Qualm. Läuft aber immer auf beiden Zylinder.

Was habe ich schon in den letzten 2 Jahren gemacht:
vor 6 Monaten neue Zündkerzen, vor 6 Monaten neues Öl+Filter,
Vergaser Ultraschall-Gereinigt + neue Dichtungen, vor 6 Monaten Vergaser synchronisiert, vor 6 Monaten neue Membrane der Benzinpumpe, neue Benzin und Unterdruckschläuche von Tank zu Vergaser auch neue Schellen, Neue Lichtmaschine + Kabel und einen neuen Spannungsregler

Mein letzter Verdacht sonst bin ich ratlos :C :
Der TPS-Sensor an der Drosselklappe weiß aber nicht wie man den Prüft, habe im Internet nichts Spezifisches über mein Modell gefunden und oder die Dichtung zwischen Vergaser Auslass und dem Saugrohr.

Wunsch:
ich habe das Motorrad jetzt schon seit 2 Jahren im Besitz und es macht leider konstant die Probleme ich bin sie noch nicht fehlerfrei gefahren mein Wunsch 2023 war die SV zum Laufen zu bringen und den Fehler zu beseitigen.
Vielen Dank im vor hinaus für die Tipps :D Wenn es hilft kann ich auch ein Video machen wie sie dauerhaft im Stand die Fehlzündungen hat

Benutzeravatar
Traunwolf
SV-Rider
Beiträge: 318
Registriert: 02.09.2021 22:20
Wohnort: Engelsberg

SVrider:

Re: SV 650(S) hat einen unrunden Leerlauf und nimmt teilweise kein Gas an.

#2

Beitrag von Traunwolf » 28.03.2023 17:37

Servus,
auf Falschluft auch kontrolliert? Auspuff ist dicht bis auf das große Loch am Ende?
Wer die Gegenwart genießt, hat in Zukunft eine wunderbare Vergangenheit

Chroxi
SV-Rider
Beiträge: 12
Registriert: 28.03.2023 11:15


Re: SV 650(S) hat einen unrunden Leerlauf und nimmt teilweise kein Gas an.

#3

Beitrag von Chroxi » 28.03.2023 22:12

Wie kontrolliere ich es am besten nach Falschluft ... ich wollte jetzt kein Bremsen Reiniger weil ich nicht möchte das mein Zylinder innen entfettet wird, würde sondern meine E-Zigarette (Vape) und eben in den Luftfilter Kasten ausatmen sodass der qualm wenn was undicht ist an der stelle rausgeht, ist das eine Option? oder gibt es noch eine andere ?
Auspuff ist dicht bis auf eine kleine stelle (der ist schon 20 Jahre alt) aber wenn er jetzt eine kleine Undichtigkeit hätte führt das doch nicht direkt zu der Gasabnahme

Benutzeravatar
tesechs
SV-Rider
Beiträge: 1647
Registriert: 27.02.2008 13:48
Wohnort: Bredenbek

SVrider:

Re: SV 650(S) hat einen unrunden Leerlauf und nimmt teilweise kein Gas an.

#4

Beitrag von tesechs » 29.03.2023 8:07

Im Ansaugsystem herrscht Unterdruck, da wird also nichts rauskommen. Der Bremsenreiniger wird von aussen aufgesprüht (Ansaugstutzen hauptsächlich) und sorgt für eine Veränderung des Motorlaufs, falls dort irgendwo Luft angesagt wird, die nicht durch den Vergaser geht.
Er ist genauso entfettend wie Benzin, da passiert nix in dem Fall.

Für mich hört sich das so an, als würde ab und zu ein Zylinder wegfallen. Das kann einerseits an der Zündung liegen ( Zündspulen?), aber natürlich auch an Falschluft (tourt der Motor langsam ab?) oder einem komplett nicht passenden Gemisch.
160 kmh lassen ja auf eine komplett fehlende Leistung schließen, das schafft eine 34 PS SV :)
Dazu würde ich also den Vergaser komplett durchchecken ( Düsen, Schwimmerstand, Gasschieber und Membrane). Vorher aber vielleicht auch noch mal den Luftfiltet angucken. Verdreckt oder ein toller Sportluftfilter drin, der viel zu offen ist?

Benutzeravatar
jubelroemer
SV-Rider
Beiträge: 14309
Registriert: 31.10.2007 14:35
Wohnort: 72654

SVrider:

Re: SV 650(S) hat einen unrunden Leerlauf und nimmt teilweise kein Gas an.

#5

Beitrag von jubelroemer » 29.03.2023 9:58

tesechs hat geschrieben:
29.03.2023 8:07
Verdreckt oder ein toller Sportluftfilter drin, der viel zu offen ist?
Den Luftfilter würde ich auch prüfen. Ist ja gleich erledigt. Vorher evtl. gleich einen HIFLO besorgen, einbauen und Vergleichsfahrt machen.
"Age is not a question of numbers"

Scheisse ist, wenn der Furz was wiegt !

ab 11:05 - wie geil !!

"Lieber Kunterbunt als Kackbraun"

W. Müller, Rennfahrer † 28.06.2020

Chroxi
SV-Rider
Beiträge: 12
Registriert: 28.03.2023 11:15


Re: SV 650(S) hat einen unrunden Leerlauf und nimmt teilweise kein Gas an.

#6

Beitrag von Chroxi » 29.03.2023 10:54

-Also der Motor tourt abrupt ab und das ist sehr oft so ab 8.000 Umdrehungen aufwärts + der 6 Gang gibt mir keine zusätzliche Geschwindigkeit dort kann ich max.150 km/h fahren, wenn ich runterschalte und im 5. Gang bin kann ich noch so 10 km/h - 15 km/h schneller fahren. Ich habe ein Verbrauch auf 100 Kilometer von 8 Litern. Ich denke das die Maschine zu fett läuft und sich das Gemisch bei Volllast nicht richtig entzünden lässt (Ich weiß es aber nicht genau, kann auch natürlich die Zündspule sein).
-Die Zündspulen kann ich ja nicht prüfen bei 800 Umdrehungen. Sie läuft ja im Stand auf beiden Zylinder, weiß aber nicht, ob die Zündspule bei mehr Belastung ausfallen kann, wenn sie im Stand normal läuft. Außerdem, was ich nicht geschrieben habe, die Maschine ist NICHT gedrosselt (also auf 48 PS).
-Habe zudem einen neuen Luftfilter bestellt. Kommt jetzt in den nächsten 2 Tagen, dass man ihn ausschließen kann, wenn das Motorrad immer noch so läuft. Aber es könnte ja rein vom Gemisch ja auch noch an dem Tps-Sensor hängen, oder? Und hat wer eine Idee? Wie man das prüfen kann. Habe leider keine Widerstandswerte im Internet gefunden also Sollwerte. Dann noch eine Frage, wenn ich dann eine Leckprüfung mache, muss ich a) den Tank also Sprit-Zufuhr dran lassen und den Unterdruckschlauch von der Benzinpumpe oder b) alles ab oder c) nur den Unterdruckschlauch von dem Vergaser dran lassen und die Sprit-Zufuhr ab lassen, um die Leckprüfung mit Bremsenreiniger zu machen.

Benutzeravatar
2blue
SV-Rider
Beiträge: 5122
Registriert: 07.03.2005 22:07
Wohnort: Speyer am Rhein

SVrider:

Re: SV 650(S) hat einen unrunden Leerlauf und nimmt teilweise kein Gas an.

#7

Beitrag von 2blue » 29.03.2023 12:53

Hat sich erledigt.
Zuletzt geändert von 2blue am 30.03.2023 20:59, insgesamt 1-mal geändert.
Die Power-Knubbel vom SV-Treffen 2016
Blau ist für mich ne tolle Farbe und kein Zustand

Chroxi
SV-Rider
Beiträge: 12
Registriert: 28.03.2023 11:15


Re: SV 650(S) hat einen unrunden Leerlauf und nimmt teilweise kein Gas an.

#8

Beitrag von Chroxi » 29.03.2023 16:16

Erstmal vielen Dank für eure Hilfe.
Ich weiß, dass die Maschine mal gedrosselt war auf 48 ps durch den Vorbesitzer, aber ich weiß nicht wie ich die Grundeinstellung kontrollieren kann (die Drossel war von Alpha-Technik-Leistungsreduzierung durch mechanische Gaswegbegrenzung) und ich natürlich kontrolliere ich, wenn der neue Luftfilter da ist, die Schaumstoffmatte unter dem tank, ob diese lose ist. War heute unterwegs mit dem Motorrad und habe sie aus dem Winterschlaf geweckt sie stand jetzt 4 Monate +- erstmal musste ich 20 Sekunden lang den Anlasser laufen lassen dann lief sie erst, auf der Autobahn bei knapp 130-140 bei 7000 Umdrehungen Volllast gegeben, das Motorrad hat einen enormen Schub für eine Sekunde bekommen und plötzlich nimmt er das Gas weg und es zieht mich nach hinten und das die ganze Zeit ein Schub und wieder Gas weg Motor lief aber konstant glaube ich auf 2 Zylinder akustisch habe ich nichts wahrgenommen das ein Zylinder ausfällt, außer die Fehlzündungen, die ich hatte, als das Motorrad mir das Gas weggenommen hatte. Was ich noch bemerkt hatte, bei der Fahrt war immer, wenn ich Volllast gegeben habe egal im welchem Gang und Drehzahlbereich hatte sie die Probleme mit dem Gas.
Hier ist ein Video wo ich sie mal im Stand laufen gelassen habe, egal ob sie kalt oder warm ist, das macht keinen Unterschied.
https://youtu.be/p4pP2R6esWQ

Chroxi
SV-Rider
Beiträge: 12
Registriert: 28.03.2023 11:15


Re: SV 650(S) hat einen unrunden Leerlauf und nimmt teilweise kein Gas an.

#9

Beitrag von Chroxi » 30.03.2023 2:56

Ein kleines Update ich war noch unterwegs mit dem Motorrad und hatte meine Kette gereinigt und gefettet auf einer ebenen Fläche danach wollte ich das Motorrad anmachen und plötzlich springt sie nicht mehr an ich dachte mir so fuck mich jetzt nicht ab :roll: ich mitten in der Walachei was mache ich jetzt..... geschaut ob alle Kabel richtig sitzen von dem Kupplungsschalter, Anlasser war aber alles i.o das Problem war, Zündung war an das Tacho ebenfalls aber der Anlasser hat, nicht gedreht so habe ich dann mein Kumpel angerufen und wir haben zu erstmal provisorisch geschaut er hatte zum Glück Werkzeug dabei :D und wir gingen dann in den Bereich hatten Sicherungen prüfen, da ist uns der Fehler bekannt geworden Sicherung durch... (10 Ampere-Sicherung IGNITION) die Frage ist meinen die Zündung Bezug auf Zündspule, Zündkabel oder auf das Zündschloss habe leider keine Schaltpläne im Internet gefunden und hängt das mit dem ursprünglichem Fehler Gasabnahme zusammen, hat einer eine Idee ?

Chroxi
SV-Rider
Beiträge: 12
Registriert: 28.03.2023 11:15


Re: SV 650(S) hat einen unrunden Leerlauf und nimmt teilweise kein Gas an.

#10

Beitrag von Chroxi » 30.03.2023 3:17

Habe was vergessen ^^ wir haben die kaputte Sicherung gebrückt das heißt, dass die alte Sicherung wieder Kontakt hat und bin dann nach Hause gefahren also sie lief mit intakter Sicherung wieder. Die Frage ist eben, warum ist die Sicherung flöten gegangen....

Chroxi
SV-Rider
Beiträge: 12
Registriert: 28.03.2023 11:15


Re: SV 650(S) hat einen unrunden Leerlauf und nimmt teilweise kein Gas an.

#11

Beitrag von Chroxi » 02.04.2023 2:17

Hallo zusammen,
war die letzten Tage ein bisschen am Basteln und habe ein paar kuriose Fehler entdeckt....

Zum ersten habe ich gesehen das mein Luftfilter ein bisschen hunger hatte und ein wenig von meiner Tankmatte gegessen hatte. Habe einen neuen Luftfilter gekauft und eingebaut.(Ist ein MIW Luftfilter, der zuvor auch eingebaut ist)

Zum zweiten war mein Schließer Seilzug kaputtgegangen habe ihn erneuert und irgendwie ist der 5 cm kürzer als der zuvor eingebaut war, merkwürdig aber funktioniert

Zum dritten habe ich, die Leitungen der Zündspulen auf Widerstand geprüft, waren i.O

Zum vierten habe ich ein Lecktest durchgeführt, konnte aber nicht hören das er Falschluft anzieht.

Zum fünften habe ich den TPS-Sensor eingestellt der war um 0,4 kOhm verstellt.

Zum sechsten habe ich wahrscheinlich sachkundig gemacht, woran beim letzten mal die Sicherung geflogen ist, das müsste anscheinend der Kupplungsschalter sein.
Beschreibung: habe das Motorrad gestartet (ohne Probleme) ging direkt an, habe dann die Leckprüfung durchgeführt, habe nichts feststellen können und danach habe ich das Motorrad ausgemacht. Wollte dann eigentlich eine Probefahrt machen, wollte das Motorrad wieder starten, aber es ging nicht kurioserweise. Ich habe nichts dran geändert habe dann gesehen das mein Tacho dunkelblau wird (ist nachgerüstet worden von dem Vorbesitzer) das heißt das er starten würde.... habe das etwas länger gemacht und siehe da die 10 Ampere Sicherung IGNITION ist wieder hin, ich habe noch ein komisches Geräusch wahrgenommen und das kam vorne in Richtung Kupplung und schließe darauf das es am Kupplungsschalter liegt, was merkwürdig ist, weil das Display eben dunkelblau wird.... eigentlich laut dieser Beschreibung müsste vom Anlasser sein. Der Anlasser kann nicht kaputt sein, wenn er vor 10 Minuten betätigt worden ist, Seitenständerschalter ja auch nicht da die Maschine lief, Kupplungsschalter ggf. ein Wackler.... habe außerdem vor 2 Wochen neue Hebel gekauft, weil meine alten kaputt waren, hier ist der link dazu:
https://www.amazon.de/dp/B07GB4NZ1C?psc ... ct_details
Vielleicht hängt das ja mein dem Einstellen des Hebelwegs zusammen... ? Habe gelesen, dass auch einer sowas mal hatte, er hatte aber leider nicht geschrieben woran es am Ende lag.
Vielleicht hat ja einer noch eine Idee woran ich nicht gedacht habe, oder hatte den gleichen Fehler.
Sobald ich den Fehler beseitigt habe, kann ich zu dem vorherigen Hauptthema-Fehler zurückgreifen. Vielleicht lag es ja an der Schaumstoffmatte die mein Luftfilter gegessen hatte. (hier ist ein Bild von dem Inneren des Luftfilters):
https://ibb.co/f1mtkSm
https://ibb.co/xMnvKTQ
https://ibb.co/NYTfMRq

Benutzeravatar
tesechs
SV-Rider
Beiträge: 1647
Registriert: 27.02.2008 13:48
Wohnort: Bredenbek

SVrider:

Re: SV 650(S) hat einen unrunden Leerlauf und nimmt teilweise kein Gas an.

#12

Beitrag von tesechs » 02.04.2023 9:44

Der Schaumstoff im Filter könnte ein Hinweis auf die fehlende Leistung sein :D

Zur Sicherung: Da ja an deinem Mopped scheinbar etwas gebastelt wurde ( neuer Tacho?), musst du vermutlich mal den Kabelbaum überprüfen, ob da irgendwo ein Kurzschluss gegen Masse etc. verursacht wird. Der Kupplungsschalter kann nur auf oder zu machen, einen Kurzschluss, der zum Tod der Sicherung führt, sollte der nicht verursachen. Aber es kann ja sein ( auch wegen des Geräusches), dass da irgendwo eine Leitung blank ist und gegen den Lenker kommt oder so.
Und ja, bei Nachrüsthebeln haben manche das Problem, dass der Schalter nicht in allen Positionen betätigt werden. Da bleibt aber trotzdem die icherung heil.
Zu den Hebeln: Sind das nur die Hebel oder ist das wirklich ein komplettes Set mit Bremspumpe? So billige Hebel an der Bremse zu nutzen ist ja schon fragwürdig, aber eine Bremspumpe für ein paar Euro? Da hängt halt dein Leben dran...

Chroxi
SV-Rider
Beiträge: 12
Registriert: 28.03.2023 11:15


Re: SV 650(S) hat einen unrunden Leerlauf und nimmt teilweise kein Gas an.

#13

Beitrag von Chroxi » 02.04.2023 20:50

Hallo zusammen,
ich war heute mal nochmal beim Prüfen der Elektrik und habe leider nichts bemerkt. Habe mich gestern noch ein bisschen durchgelesen das es anscheinend bekannte Scheuerstellen gibt (an der Befestigung des Sitzes) aber ohne Erfolg. Habe dann noch die + und - kabel durchgeprüft, aber auch leider ohne Erfolg. Dann habe ich den ckp Stecker abgemacht und wollte schauen ob es ggf an dem liegt aber auch ohne Erfolg. Was ich bemerkt habe, ist aber das das Motorrad sich ab und an mal starten lässt... das heißt, wenn ich das Motorrad bewege nach rechts oder nach link dann will er starten... aber es fliegt direkt die Sicherung. Vlt hat ja noch einer eine idee...
der Anlasser dreht nicht, aber das Tacho ist konstant an und die Batterie ist vollgeladen.

tesechs: das Geräusch das ich wahrgenommen habe, kam im vorderen linken Bereich kann auch das Tacho sein, das ich morgen noch überprüfen werde. Die Bremspumpe ist die originale, die auch glaube ich von Werk aus dran ist.

Chroxi
SV-Rider
Beiträge: 12
Registriert: 28.03.2023 11:15


Re: SV 650(S) hat einen unrunden Leerlauf und nimmt teilweise kein Gas an.

#14

Beitrag von Chroxi » 04.04.2023 19:58

Hallo zusammen,
ich habe gute Neuigkeiten. Ich konnte mein Fehler sachkundig machen in Bezug der Sicherung (ignition). Es war der Kupplungshebel-Positionsschalter, der anscheinend ein Kurzschluss verursacht hat, habe mir deshalb einen neuen gekauft und der kommt ende oder Anfang nächster Woche, danach kann ich schauen, ob der Leistungsverlust verschwunden ist wegen des verstopften Luftfilters.... melde mich dann, wenn der neue Schalter eingebaut ist und ich von der Probefahrt zurück bin und vielen Dank für eure Hilfe.
MFG Robin

Worschtzibbel
SV-Rider
Beiträge: 1
Registriert: 04.10.2018 18:10


Re: SV 650(S) hat einen unrunden Leerlauf und nimmt teilweise kein Gas an.

#15

Beitrag von Worschtzibbel » 05.04.2023 18:22

Chroxi hat geschrieben:
04.04.2023 19:58
Ich konnte mein Fehler sachkundig machen in Bezug der Sicherung (ignition). Es war der Kupplungshebel-Positionsschalter, der anscheinend ein Kurzschluss verursacht hat
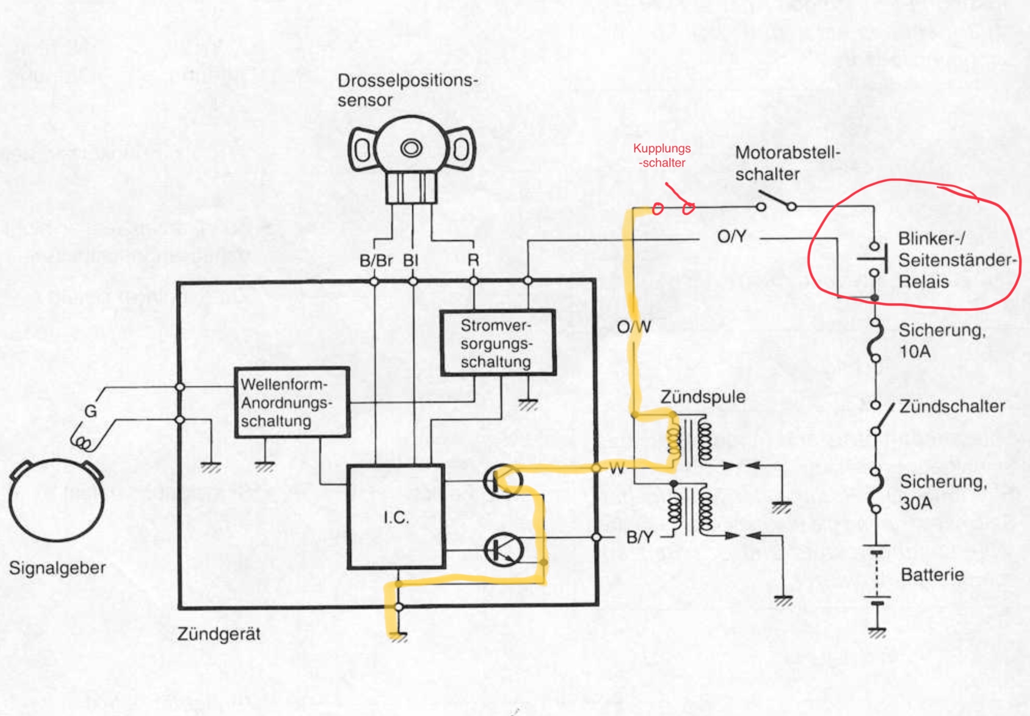
Dann wünsche ich Dir, dass ich falsch liege. Bezweifle dass der Schalter einen Kurzschluss macht, da müsste ja einer der beiden Anschlüsse Verbindung zu Masse haben. Da der Kontakt ja vergossen ist schließe ich einen Kurzschluss aus. Wenn ich mir das Schema für die Zündung betrachte wären meine Favoriten für einen Kurzschluss das Blinker/Seitenständerrelais, Zündspulen oder CDI.

A6935A1E-D421-4C0D-8C45-A2089037DFFC.jpeg
Chroxi hat geschrieben:
04.04.2023 19:58
.... melde mich dann, wenn der neue Schalter eingebaut ist und ich von der Probefahrt zurück bin und vielen Dank für eure Hilfe.
Da brauchst Du nicht warten bis der Schalter eingebaut ist, kannst einfach den Stecker der an den Schalter geht mit einer Büroklammer Brücken.

Antworten