Ja gut... gibt bestimmt schönere... aber des lässt sich bestimmt au anders montieren bzw. unter ner gebastelten Verkleidung versteckenTripple7 hat geschrieben:Weil des Blech dasst am Schalthebel anschraubst irgendwie seltsam ausschaut. Soll net heißen dass es net funktionieren kann aba die Optik is halt iwie a HundWie kommsch du jetzt auf russich?![]()
![]()
![]()
Digitale Ganganzeige
- Arminator650
- SV-Rider
- Beiträge: 6940
- Registriert: 13.11.2014 9:19
- Wohnort: WN
-
SVrider:
Re: Digitale Ganganzeige
-
2 for fun
Re: Digitale Ganganzeige
Ich geb Dir den guten Rat: laß die Finger davonSV-Ratte hat geschrieben:Hey Leute,
da ich des öfteren vom 6. in den 7. schalten will und feststelle das es diesen nicht gibt, dachte ich mir da muss ne Ganganzeige her!
Jetzt bin ich natürlich ein armer Steinmetz Azubi und will ungern 100€ für sowas "unnötiges" ausgeben.
Allerdings hab ich auf Ebay und Amazon welche für 13-18€ endeckt. Diese laufen über einen Sensor der registriert wenn man mit dem Fuß schaltet.
Nun zu meiner Frage, hat die mal jemand gekauft und getestet?
Kommt mir etwas komisch vor da man nur welche für über 100€ findet und dann plötzlich diese billigen Dinger.
Es handelt sich um diese Teile: http://www.ebay.de/itm/like/36086954815 ... 106&chn=ps
Ich hab es ausprobiert weil ich auch öfter bei meiner SV 650 in den imaginären Overdrive schalten will
Ich dachte auch 20€ ...was solls das probier ich
Displaygehäuse ob das wohl ein 7 jähriger Modellbauänfänger zusammengeklebt hat (wahrscheinlich, aber ein 7 jähriger Inder
Na ja, dann bin ich aber trotzdem frisch und fröhlich ans Werk und hab erst ma so angeschlossen und siehe da, ich war
doch schon etwas überrascht, es funktionierte wenn ich die Sensoren relativ nahe (nicht über max. 5mm Abstand)
mit dem Magnet auslöste...also alles schön verlegt gelötet mit Schrumpfschlauch isoliert alles schön sauber wie man es gelernt hat.
Dann hatte ich noch die ideale Stelle für die Sensoren gefunden da fielen sie auch noch kaum auf und die Käbelchen schön versteckt
und dann der erste Praxistest... und was soll ich sagen, die Ganganzeige funzt nur sporadisch, manchmal richtig aber öfter falsch
hab noch x-mal rumprobiert mit den Sensoren aber da funzt meine Kopfganganzeige mind. genauso gut
Die Moral von der Geschicht: wie Omi schon immer sagte...billig ist teuer, ok die 20 Okken (ne Kiste Bier bringt trotzdem mehr Spaß
vielleicht nimmts der Buchtgroßhändler ja trotzdem zurück
aber wie gesagt wieder was gelernt oder zurück ins Gedächtnis gerufen
schönen Gruß und einfach mehr ausgeben oder dran denken das die Karre nur 6 Gänge hat
Re: Digitale Ganganzeige
Hallo!
Gibt es denn auch eine hochwertigere Lösung für die Knubbel?
Viele Grüße
Maik
Gibt es denn auch eine hochwertigere Lösung für die Knubbel?
Viele Grüße
Maik
-
2 for fun
Re: Digitale Ganganzeige
Gibt es u.a. bei Tante Louis, Polo und in
verschiedenen Internetshops.
Diese Teile werden dann mit den Signalen
von der Zündspule und elektronischem
Tachogeber gefüttert, ob das bei der Knubbel
machbar ist weiß ich nicht, aber es gibt wohl
welche die passendes Zubehör (elektronischer
Signalgeber) beinhalten.
Ist natürlich mit höherem Aufwand (auch preistechnisch ca. 100-150 €) verbunden aber
funzt dann auch sicher.
Muß jeder selber wissen ob und wieviel er für
so ein (nützliches) Gimmick ausgeben möchte.
verschiedenen Internetshops.
Diese Teile werden dann mit den Signalen
von der Zündspule und elektronischem
Tachogeber gefüttert, ob das bei der Knubbel
machbar ist weiß ich nicht, aber es gibt wohl
welche die passendes Zubehör (elektronischer
Signalgeber) beinhalten.
Ist natürlich mit höherem Aufwand (auch preistechnisch ca. 100-150 €) verbunden aber
funzt dann auch sicher.
Muß jeder selber wissen ob und wieviel er für
so ein (nützliches) Gimmick ausgeben möchte.
- Arminator650
- SV-Rider
- Beiträge: 6940
- Registriert: 13.11.2014 9:19
- Wohnort: WN
-
SVrider:
Re: Digitale Ganganzeige
Also bei der digitalen Ganganzeige, dies beim Louis gibt, ist ein Tachogeber-Kit dabei, sodass es auch bei der Knubbel möglich sein sollte.
Allerdings kost das dann, wie 2 for fun schon sagte, halt seine stolzen 140€.
Hat aber auch nen Schaltplitz und ein edles Gehäuse etc...
Die Ganganzeige mit den induktiven Gebern ist dagegen billiges Spielzeug
Allerdings kost das dann, wie 2 for fun schon sagte, halt seine stolzen 140€.
Hat aber auch nen Schaltplitz und ein edles Gehäuse etc...
Die Ganganzeige mit den induktiven Gebern ist dagegen billiges Spielzeug
- matoumueller
- SV-Rider
- Beiträge: 256
- Registriert: 01.07.2014 7:55
- Wohnort: Saarland
-
SVrider:
Re: Digitale Ganganzeige
Hi , also ich hab grade die tage so eine "billige " Anzeige
an die kleine kante meiner Frau geschraubt , funktioniert top !!! Man muss sich nur ein wenig Gedanken machen bei der Montage , hab mir zuerst auch den Kopf zerbrochen bekam dann aber von forumskollegen hier sehr gute Tipps ! Ich habe z.B die reedkontakte weiter auseinander gesetzt und geschaut dass beide jeweils ihren eigenen Magneten haben so hast du weniger Stress die sache einzustellen !! Wenn du dazu noch etwas stärkere magneten nimmst musst du auch nicht
ganz so knapp daran vorbei gehen damit ! Ich werde die Tage alles nochmal abbauen und richtig verlöten und mit Schrumpfschlauch überziehen dabei mache ich auch mal Bilder und stelle sie hier ein !!!
Gruß Zock
an die kleine kante meiner Frau geschraubt , funktioniert top !!! Man muss sich nur ein wenig Gedanken machen bei der Montage , hab mir zuerst auch den Kopf zerbrochen bekam dann aber von forumskollegen hier sehr gute Tipps ! Ich habe z.B die reedkontakte weiter auseinander gesetzt und geschaut dass beide jeweils ihren eigenen Magneten haben so hast du weniger Stress die sache einzustellen !! Wenn du dazu noch etwas stärkere magneten nimmst musst du auch nicht
ganz so knapp daran vorbei gehen damit ! Ich werde die Tage alles nochmal abbauen und richtig verlöten und mit Schrumpfschlauch überziehen dabei mache ich auch mal Bilder und stelle sie hier ein !!!
Gruß Zock
At 250mph you have no friends ! !
Re: Digitale Ganganzeige
Wenns Dr nur um den vermeintlichen siebten Gang geht, gehts auch deutlich einfacher:
Besorg Dir bei ih-bä einen passenden Gangsensor (ich hab einen für die GSXR600 genommen, passt). Der schaltet bei den Gängen jeweils unterschiedliche Widerstände. Details dazu findest Du auf der Homepage von Ati (www.sv-ati.de). Kratz die Verguß-Masse ab, dann kommst Du an die einzelnen Kontakte. An den Kontakt vom sechsten Gang lötest Du ein Kabel. Wenn Du den Sensor einbaust, liegt dieses Kabel im sechsten Gang an Masse. Häng ein Lämpchen/eine LED dran, die mit dem anderen Kontakt an Schalt-Plus hängt. Dann leuchtet das Lämpchen, sobald Du im sechsten Gang bist.
Schöner ist aber die Variante von Ati. Die hab ich für meine eigene Ganganzeige als Vorlage genommen. Anders gesagt: Ich hab abgekuckt...
Besorg Dir bei ih-bä einen passenden Gangsensor (ich hab einen für die GSXR600 genommen, passt). Der schaltet bei den Gängen jeweils unterschiedliche Widerstände. Details dazu findest Du auf der Homepage von Ati (www.sv-ati.de). Kratz die Verguß-Masse ab, dann kommst Du an die einzelnen Kontakte. An den Kontakt vom sechsten Gang lötest Du ein Kabel. Wenn Du den Sensor einbaust, liegt dieses Kabel im sechsten Gang an Masse. Häng ein Lämpchen/eine LED dran, die mit dem anderen Kontakt an Schalt-Plus hängt. Dann leuchtet das Lämpchen, sobald Du im sechsten Gang bist.
Schöner ist aber die Variante von Ati. Die hab ich für meine eigene Ganganzeige als Vorlage genommen. Anders gesagt: Ich hab abgekuckt...
Re: Digitale Ganganzeige
Wenn Du es schon mit einem 9 poligem Gangsensor machst, kann ich Dir die folgende Anleitung nur empfehlen.
Sie kostet ca. 30,00€ und funktioniert perfekt. (im Stand, mit laufendem Motor, auch nach schalten ohne Zündung.... einfach immer).
Aber ich muss euch warnen, der Ein bzw Umbau dauert ca.10 Stunden.
Entferne die Gummiversiegelung vom 9 Poligem Sensor.
Entlöte die 9 Lötaugen und entferne die Platine.Sollte dann so aussehen:
Besorge Dir zwei ca. 2 Meter lange RJ 45 Verlängerungen. Am besten die mit einem Flachkabel (Bilder siehst Du noch später).
Schneide vom alten Gangsensor die Kabel kurz hinter der Gummierung ab (2mm entisolieren und verzinnen).
Jetzt schneidest Du von der RJ45 Verlängerung, von der Kuplungsseite, ein Stück, 30 cm länger als das alte vom Gangsensor ab.
Vorsichtig die schwarze Isolierung auf ca. 4 cm abtrennen.
Jetzt lötest du vom RJ45 Kabel 6 Adern an die Gänge 1 bis 6 und einen 7. an den Leerlauf (welcher von den beiden der Richtige ist zeig ich noch).
Vom alten Kabel lötest Du das Schwarze/weißer Faden an die Masse in der Mitte.
Das Blaue, von alten Kabel, lötest Du an den Leerlauf (wo ja schon eins ist), damit die grüne Leerlaufanzeige weiter geht.
Vom altem Kabel nimmst Du noch ein drittes und verlötest es mit dem 8. Kabel vom Neuen (ohne mit irgendeinem anderen Kabel Kontakt zu haben!).
Meine Unterlagen haben diese hoch professionelle Zeichnung hervorgebracht:
Wenn alle Lötungen dreimal kontrolliert und am besten nochmal durchgemessen sind werden sie vergossen. ich habe es mit Heißkleber gemacht:
Fortsetzung folgt.
Sie kostet ca. 30,00€ und funktioniert perfekt. (im Stand, mit laufendem Motor, auch nach schalten ohne Zündung.... einfach immer).
Aber ich muss euch warnen, der Ein bzw Umbau dauert ca.10 Stunden.
Entferne die Gummiversiegelung vom 9 Poligem Sensor.
Entlöte die 9 Lötaugen und entferne die Platine.Sollte dann so aussehen:
Besorge Dir zwei ca. 2 Meter lange RJ 45 Verlängerungen. Am besten die mit einem Flachkabel (Bilder siehst Du noch später).
Schneide vom alten Gangsensor die Kabel kurz hinter der Gummierung ab (2mm entisolieren und verzinnen).
Jetzt schneidest Du von der RJ45 Verlängerung, von der Kuplungsseite, ein Stück, 30 cm länger als das alte vom Gangsensor ab.
Vorsichtig die schwarze Isolierung auf ca. 4 cm abtrennen.
Jetzt lötest du vom RJ45 Kabel 6 Adern an die Gänge 1 bis 6 und einen 7. an den Leerlauf (welcher von den beiden der Richtige ist zeig ich noch).
Vom alten Kabel lötest Du das Schwarze/weißer Faden an die Masse in der Mitte.
Das Blaue, von alten Kabel, lötest Du an den Leerlauf (wo ja schon eins ist), damit die grüne Leerlaufanzeige weiter geht.
Vom altem Kabel nimmst Du noch ein drittes und verlötest es mit dem 8. Kabel vom Neuen (ohne mit irgendeinem anderen Kabel Kontakt zu haben!).
Meine Unterlagen haben diese hoch professionelle Zeichnung hervorgebracht:
Wenn alle Lötungen dreimal kontrolliert und am besten nochmal durchgemessen sind werden sie vergossen. ich habe es mit Heißkleber gemacht:
Fortsetzung folgt.
Mit einem Menschen zu streiten, der auf den Gebrauch der Vernunft verzichtet, ist wie die Verabreichung von Medikamenten an Tote.
Re: Digitale Ganganzeige
Die Steckerseite sieht dann etwa so aus:
Das dritte Kabel von der alten Leitung, welches nur im Gangsensor mit dem achten des RJ45 verbunden ist, wird am Gegenstück (Stecker-Kupplung)
mit geschaltetem plus 12 Volt verbunden. Also an der Seriensteckerkupplung wird das dritte und vierte Kabel (welche zur Blackbox gehen und ihr sagen wann der
dritte und wann der zweite Gang drin sind ) abgeschnitten. Nur an dem Ende des Kabels was zum achten Kabel geht wird mit geschaltetem Plus (ich habe
die Vergaserheizung genommen ) die Anzeige mit Strom versorgt. Als Abfallprodukt hat man noch kostenlos eine Entdrosselung (keine Reduzierung mehr im
dritten und zweiten Gang), merkt man aber nicht!
Der Sinn dieser Aktion ist es, die Schaltung mit geschalteten 12 Volt zu versorgen, ohne viel zusätzliche Kabel.
Jetzt geht es an die Platine.
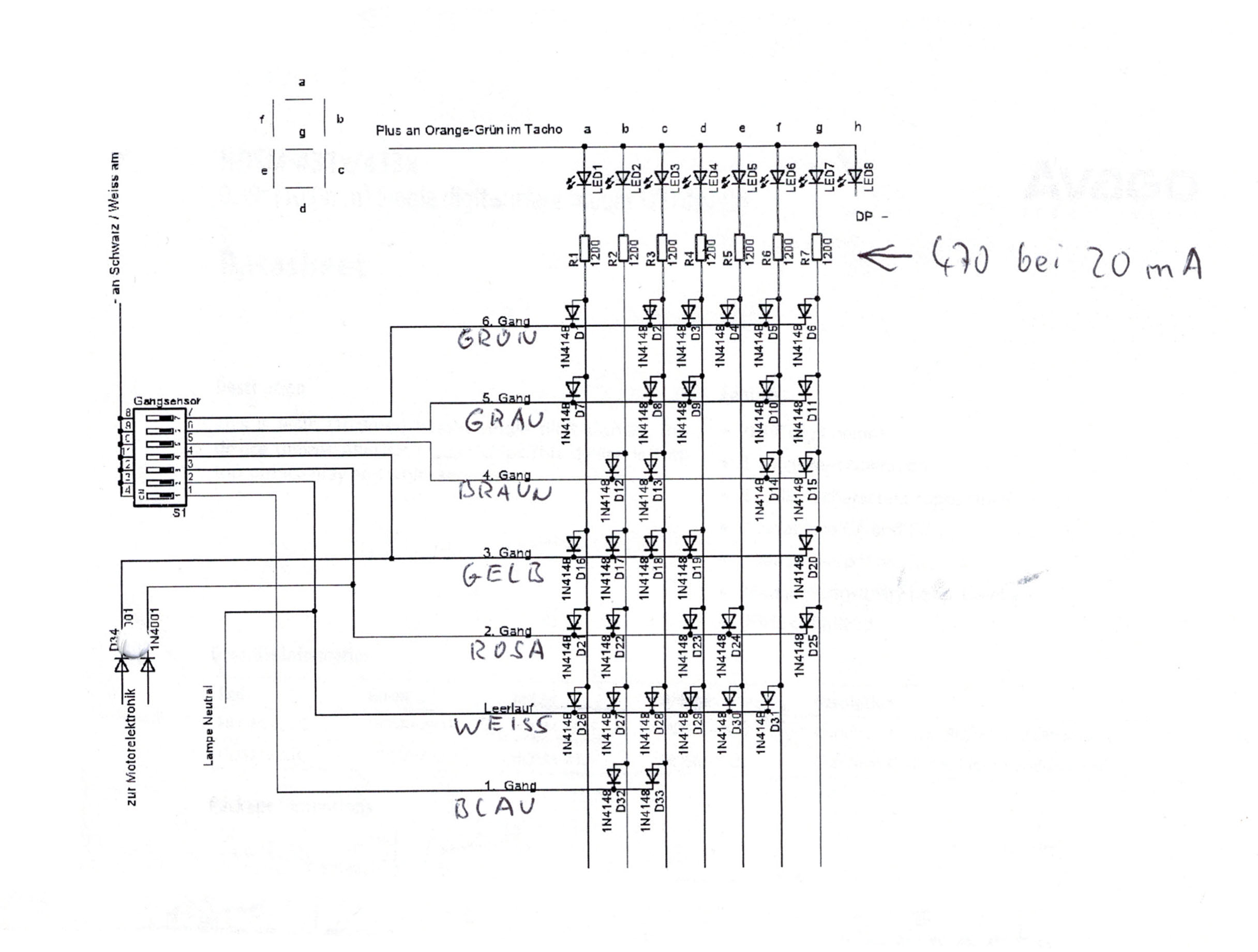
Dazu braucht Ihr ca 40 Dioden 1N4148 oder ähnliche (sind nur ein paar Cent).
Eine Streifenplatine.
10 Stück 470 Ohm Wiederstände.
Ein Gehäuse (möglichst flach, wenn Ihr es wie ich an der Knubbel S unter der Instrumentenabdeckung verstecken wollt).
Der Schaltplan dazu sieht so aus (ich weiß, es ist keine gute Qualität, aber wer konnte denn ahnen das den noch mal jemand sehen will):
Hier mal die Platine, mit den Bauteilen:
An den Kreuzen müssen die Platinenstreifen unterbrochen werden (z.B. mit einem Cuttermesser).
Außerdem auch im unteren Bereich, wo handschriftlich " 7 X 470 Ohm bei 20mA " steht.
Dort wird dann mit den Widerständen quasi eine Brücke gemacht. Diese Widerstände begrenzen den Strom pro Segment der Siebensegmentanzeige.
Auch oben,etwas schlecht zu erkennen, unter den Dioden die Stehend montiert werden, muss die Leiterbahn durchtrennt werden.
Zu den äußeren Leiterbahnen ( A und B ) werden die Dioden mit der Kathode angeschlossen.
Zu den Leiterbahnen a-g (die inneren) werden sie mit der Anode angelötet. Das sollen die beiden Zeichnungen rechts oben
symbolisieren.
Fortsetzung folgt (aber erst Morgen )
Das dritte Kabel von der alten Leitung, welches nur im Gangsensor mit dem achten des RJ45 verbunden ist, wird am Gegenstück (Stecker-Kupplung)
mit geschaltetem plus 12 Volt verbunden. Also an der Seriensteckerkupplung wird das dritte und vierte Kabel (welche zur Blackbox gehen und ihr sagen wann der
dritte und wann der zweite Gang drin sind ) abgeschnitten. Nur an dem Ende des Kabels was zum achten Kabel geht wird mit geschaltetem Plus (ich habe
die Vergaserheizung genommen ) die Anzeige mit Strom versorgt. Als Abfallprodukt hat man noch kostenlos eine Entdrosselung (keine Reduzierung mehr im
dritten und zweiten Gang), merkt man aber nicht!
Der Sinn dieser Aktion ist es, die Schaltung mit geschalteten 12 Volt zu versorgen, ohne viel zusätzliche Kabel.
Jetzt geht es an die Platine.
Dazu braucht Ihr ca 40 Dioden 1N4148 oder ähnliche (sind nur ein paar Cent).
Eine Streifenplatine.
10 Stück 470 Ohm Wiederstände.
Ein Gehäuse (möglichst flach, wenn Ihr es wie ich an der Knubbel S unter der Instrumentenabdeckung verstecken wollt).
Der Schaltplan dazu sieht so aus (ich weiß, es ist keine gute Qualität, aber wer konnte denn ahnen das den noch mal jemand sehen will):
Hier mal die Platine, mit den Bauteilen:
An den Kreuzen müssen die Platinenstreifen unterbrochen werden (z.B. mit einem Cuttermesser).
Außerdem auch im unteren Bereich, wo handschriftlich " 7 X 470 Ohm bei 20mA " steht.
Dort wird dann mit den Widerständen quasi eine Brücke gemacht. Diese Widerstände begrenzen den Strom pro Segment der Siebensegmentanzeige.
Auch oben,etwas schlecht zu erkennen, unter den Dioden die Stehend montiert werden, muss die Leiterbahn durchtrennt werden.
Zu den äußeren Leiterbahnen ( A und B ) werden die Dioden mit der Kathode angeschlossen.
Zu den Leiterbahnen a-g (die inneren) werden sie mit der Anode angelötet. Das sollen die beiden Zeichnungen rechts oben
symbolisieren.
Fortsetzung folgt (aber erst Morgen )
Zuletzt geändert von andi2 am 22.08.2015 11:06, insgesamt 1-mal geändert.
Mit einem Menschen zu streiten, der auf den Gebrauch der Vernunft verzichtet, ist wie die Verabreichung von Medikamenten an Tote.
Re: Digitale Ganganzeige
Die Platine bestückt sieht so aus:
Hier sieht man auch schon die acht Kabel, die zur Siebensegmentanzeige gehen. Ich habe folgenden Typ gewählt:
HDSM-431F von Avago. Dafür gab es mehrere Gründe:
1. Es ist eine SMD Ausführung, sodass sie bündig mit der Oberfläche abschließt
2. Das zu fertigende Loch ist nicht sehr groß
3. Die Lötung ist " robusta " als diese dünnen Anschlüsse
Im Bild der Streifenplatine sieht man die Farben der Leitungen, die Ich verwendet habe.
Als Verbindung zum Gangsensor habe ich wieder eine RJ45 Kuplung genommen. Dadurch kann ich die Teile leicht entfernen.
Bedenken hinsichtlich der Kontakte der RJ45 Stecker kann ich zerstreuen. Sie haben jetzt ca. 5 Jahre fehlerfrei funktioniert.
Sie sind bei mir aber auch vorne unter der " Amaturentafel " gut geschutzt. Hinten habe ich sie in den Gummischutz des gangsensors
nit rein gesteckt.
Fertig montiert sieht es vorne so aus:
Das Gehäuse, die Siebensegmentanzeige und die RJ45 Kupplung habe ich wieder mit Heizkleber befestigt.
Auf der Anzeige-Seite wurde die Siebensegmentanzeige mit einer getönten Kunststoffscheibe geschützt.
die grauen Flächen der SSA habe ich noch mit einem wasserfesten schwarzen Filzstift geschwärzt.
Und der ganze Aufwand bloß um das zu erreichen:
Diese Anzeige funktioniert jetzt seit ca. 5 Jahren perfekt.
Wenn noch irgendwelche Fragen sind, beantworte ich die gerne, Lieber hier im Fred als als PN (so vermeiden wir mehrfach Fragen).
Aber bitte nicht ungeduldig werden, ich bin manchmal mehrere Tage weg.
Hier sieht man auch schon die acht Kabel, die zur Siebensegmentanzeige gehen. Ich habe folgenden Typ gewählt:
HDSM-431F von Avago. Dafür gab es mehrere Gründe:
1. Es ist eine SMD Ausführung, sodass sie bündig mit der Oberfläche abschließt
2. Das zu fertigende Loch ist nicht sehr groß
3. Die Lötung ist " robusta " als diese dünnen Anschlüsse
Im Bild der Streifenplatine sieht man die Farben der Leitungen, die Ich verwendet habe.
Als Verbindung zum Gangsensor habe ich wieder eine RJ45 Kuplung genommen. Dadurch kann ich die Teile leicht entfernen.
Bedenken hinsichtlich der Kontakte der RJ45 Stecker kann ich zerstreuen. Sie haben jetzt ca. 5 Jahre fehlerfrei funktioniert.
Sie sind bei mir aber auch vorne unter der " Amaturentafel " gut geschutzt. Hinten habe ich sie in den Gummischutz des gangsensors
nit rein gesteckt.
Fertig montiert sieht es vorne so aus:
Das Gehäuse, die Siebensegmentanzeige und die RJ45 Kupplung habe ich wieder mit Heizkleber befestigt.
Auf der Anzeige-Seite wurde die Siebensegmentanzeige mit einer getönten Kunststoffscheibe geschützt.
die grauen Flächen der SSA habe ich noch mit einem wasserfesten schwarzen Filzstift geschwärzt.
Und der ganze Aufwand bloß um das zu erreichen:
Diese Anzeige funktioniert jetzt seit ca. 5 Jahren perfekt.
Wenn noch irgendwelche Fragen sind, beantworte ich die gerne, Lieber hier im Fred als als PN (so vermeiden wir mehrfach Fragen).
Aber bitte nicht ungeduldig werden, ich bin manchmal mehrere Tage weg.
Mit einem Menschen zu streiten, der auf den Gebrauch der Vernunft verzichtet, ist wie die Verabreichung von Medikamenten an Tote.
- guzzistoni
- SV-Rider
- Beiträge: 17304
- Registriert: 23.01.2010 15:33
- Wohnort: 27777 Ganderkesee
-
SVrider:
Re: Digitale Ganganzeige
Hallo Andi,
das ist sehr interessant was Du da entwickelt hast. Gerade für die Knubbelisten!
Konntst Du deine Beiträge nicht zusammengefassen und in die KB stellen?
Da wäre dieser tolle Umbau Vorschlag dich sehr gut aufgehoben.
das ist sehr interessant was Du da entwickelt hast. Gerade für die Knubbelisten!
Konntst Du deine Beiträge nicht zusammengefassen und in die KB stellen?
Da wäre dieser tolle Umbau Vorschlag dich sehr gut aufgehoben.
Re: Digitale Ganganzeige
Hallo Martin
Habe ich noch nicht gemacht. Ich weiß nicht wie viel Aufwand das ist ?
Ich würde jetzt hier erstmal die Resonanz und die Fragen abwarten.
Wenn es mehrere Interessenten gibt, könnte man die Platine z.B. als SMD oder als geätzte Version fertigen, Besonders
für N-Fahrer, die ja nicht den Platz haben, wäre eine kompakte Platine sinnvoll.
Bei einer finalen Version könnte man auch eine Materialliste, mit Bezugs nachweisen, erstellen.
Schaun wir mal!
Habe ich noch nicht gemacht. Ich weiß nicht wie viel Aufwand das ist ?
Ich würde jetzt hier erstmal die Resonanz und die Fragen abwarten.
Wenn es mehrere Interessenten gibt, könnte man die Platine z.B. als SMD oder als geätzte Version fertigen, Besonders
für N-Fahrer, die ja nicht den Platz haben, wäre eine kompakte Platine sinnvoll.
Bei einer finalen Version könnte man auch eine Materialliste, mit Bezugs nachweisen, erstellen.
Schaun wir mal!
Mit einem Menschen zu streiten, der auf den Gebrauch der Vernunft verzichtet, ist wie die Verabreichung von Medikamenten an Tote.
Re: Digitale Ganganzeige
Sehr gut beschrieben Andi!
Würde gleich mein Interesse an der Materialliste kundtun.
Für mich würde deine Variante als erstes in Frage kommen, von den anderen im Netz zu bestellenden Teilen halte ich persönlich nicht all zu viel
Würde gleich mein Interesse an der Materialliste kundtun.
Für mich würde deine Variante als erstes in Frage kommen, von den anderen im Netz zu bestellenden Teilen halte ich persönlich nicht all zu viel
When everything seems to be going against you. Remember that the Airplane takes off against the wind, not with it!
Spritmonitor
Spritmonitor
Re: Digitale Ganganzeige
Interessante Anleitung, Hut ab! Hat den Vorteil, dass Du wirklich nur aller-einfachste Elektronik benutzt. Nachteilig sehe ich höchstens, dass Du viele Drähte ziehen musst.
Blendet Dich die Anzeige bei Dunkelheit eigentlich? Sieht auf dem Foto recht hell aus.
Für die N-Fahrer wäre es noch eine Möglichkeit, die Siebensegment-Anzeige vom Dioden-Array abzusetzen und z.B. über Flachbandkabel zu verbinden. Dann brauchst Du im Cockpit nur minimalen Raum.
Blendet Dich die Anzeige bei Dunkelheit eigentlich? Sieht auf dem Foto recht hell aus.
Für die N-Fahrer wäre es noch eine Möglichkeit, die Siebensegment-Anzeige vom Dioden-Array abzusetzen und z.B. über Flachbandkabel zu verbinden. Dann brauchst Du im Cockpit nur minimalen Raum.
Re: Digitale Ganganzeige
Also mich blendet die Anzeige nicht.Wer es lieber dunkler haben will, kann ja die Widerstände erhöhen.
Sie ist eher bei direkter Sonneneinstrahlung schlecht zu erkennen. Ich hatte mal vor eine andere Farbe zu
nehmen.Bei der Knubbel S isr es aber sehr selten,, dass die Sonne direkt rauf scheint.
Viele Kabel? EIN Kabel, na gut 50cm Einadriges von der Vergaserheizung noch.
Sie ist eher bei direkter Sonneneinstrahlung schlecht zu erkennen. Ich hatte mal vor eine andere Farbe zu
nehmen.Bei der Knubbel S isr es aber sehr selten,, dass die Sonne direkt rauf scheint.
Viele Kabel? EIN Kabel, na gut 50cm Einadriges von der Vergaserheizung noch.
Mit einem Menschen zu streiten, der auf den Gebrauch der Vernunft verzichtet, ist wie die Verabreichung von Medikamenten an Tote.